|
DC普通型电感式近接传感器(Q16x28x10) |
|||
|
|
|||
|
直径 |
|
Q16x28x10 |
|
|
埋入安装/露出安装 |
|
埋入安装/ 露出安装 |
|
|
感应距离 (MM) |
|
1mm / 2mm |
|
|
外壳材质 |
|
PBT RESIN |
|
|
有无LED |
|
附带LED |
|
|
图片 |
|
|
|
|
工作电压 |
|
10-30VDC |
|
|
涟波 |
|
<10% |
|
|
无负载电流 |
|
<10mA |
|
|
最大负载电流 |
|
200mA |
|
|
漏电流 |
|
<0.01mA |
|
|
电压降 |
|
< 1.5V |
|
|
开关频率 |
|
2KHZ |
|
|
响应时间 |
|
0.1ms/0.1ms |
|
|
开关磁滞 |
|
<15%(Sr) |
|
|
重复精度 |
|
<1.0%(Sr) |
|
|
保护等级 |
|
IP67 |
|
|
工作环境温度 |
|
-25 ℃ - +70 ℃ |
|
|
温度漂移 |
|
<10%(Sr) |
|
|
短路保护 |
|
有 |
|
|
过载电流保护点 |
|
220MA |
|
|
感应面材质 |
|
- |
|
|
DC 三线式 10-30V NPN 常开 |
|
S1S1P2801NO3A2X ┇ S1S2P2802NO3A2X |
|
|
DC 三线式 10-30V NPN 常闭 |
|
S1S1P2801NC3A2X ┇ S1S2P2802NC3A2X |
|
|
DC 三线式 10-30V PNP 常开 |
|
S1S1P2801PO3A2X ┇ S1S2P2802PO3A2X |
|
|
DC 三线式 10-30V PNP 常闭 |
|
S1S1P2801PC3A2X ┇S1S2P2802PC3A2X |
|
|
DC 四线式 10-30V PNP 输出常开常闭可转换 |
|
- |
|
|
DC 四线式 10-30V NPN 输出常开常闭可转换 |
|
- |
|
|
DC 两线式 10-60V 常开 |
|
- |
|
|
DC 两线式 10-60V 常闭 |
|
- |
|
|
DC 三线式 10-55v NPN 常开 |
|
- |
|
|
DC 三线式 10-55v NPN 常闭 |
|
- |
|
|
DC 三线式 10-55v PNP 常开 |
|
- |
|
|
DC 三线式 10-55v PNP 常闭 |
|
- |
|
|
DC 三线式 5-36V PNP 常闭 |
|
- |
|
|
DC 三线式 5-36V PNP 常开 |
|
- |
|
|
DC 三线式 5-36V NPN 常闭 |
|
- |
|
|
DC 三线式 5-36V NPN 常开 |
|
- |
|
|
DC 四线式 5-36V PNP 输出常开常闭可转换 |
|
- |
|
|
DC 四线式 5-36V NPN 输出常开常闭可转换 |
|
- |
|
|
接线图编号_ |
|||
|
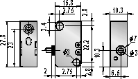
尺寸 (单位: 毫米) |
|
|
|
|
两米线 (PVC) |
|
3φ3x0.15 |
|
|
重量 |
|
约 55 g |
|
重量 约 250g







